產品介紹
產品名稱及型號:電液控多功能蝶式止回閥 HHT947H(X)-10C.16C.25系列
產品特點及用途:
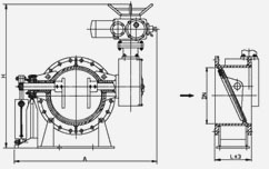
1.電液控多功能蝶式止回閥由閥體、斜置蝶板、緩閉液壓 缸和電動裝置組成,閥門用于泵出口,防止介質逆向流 動。
2.閥門采用液壓緩閉缸控制系統,有效控制閥門在停泵時自動三級緩閉,消除水錘壓力。
3.閥門設置電動控制機構,可以與泵實現電氣聯動.用戶配置相應的儀表和控制元件,閥門可以實現延時開間、定 壓開閥、強制關閥等多種功能.如果用戶需要還可以配置調節型電裝用于調節流量。
產品特點及用途:
1.電液控多功能蝶式止回閥由閥體、斜置蝶板、緩閉液壓 缸和電動裝置組成,閥門用于泵出口,防止介質逆向流 動。
2.閥門采用液壓緩閉缸控制系統,有效控制閥門在停泵時自動三級緩閉,消除水錘壓力。
3.閥門設置電動控制機構,可以與泵實現電氣聯動.用戶配置相應的儀表和控制元件,閥門可以實現延時開間、定 壓開閥、強制關閥等多種功能.如果用戶需要還可以配置調節型電裝用于調節流量。
產品采用標準:
產品標準參照JB/T 5299
結構長度按照GB/T 12221
法蘭連接按照GB/T 17241.6 GB/T 9113
壓力試驗按照GB/T 13927
主要性能規范:公稱尺寸DN200~DN1400 公稱壓力PN10~PN25
型號 | HHT947H(X)-10C | HHT947H(X)-16C | HHT947H(X)-25 |
工作壓力 | ≤1.0 Mpa | ≤1.6 Mpa | ≤2.5 Mpa |
適用溫度 | H型:≤300℃ X型:≤80℃ | ||
適用介質 | H型:水、蒸汽、油品等 X型:水、油品等 |
主要零部件及材料:
閥體、閥蓋 | H型:鑄鋼、碳鋼焊接 X型:鑄鐵、碳鋼 |
閥瓣 | |
密封面 | H型:金屬-金屬 X型:橡膠-金屬 |
